Logo
  • ГЛАВНАЯ
  • КАТАЛОГ
    • #01 Воротная группа
    • #02 Автоматизация ворот
    • #03 Рольставни и рольворота
    • #04 Противопожарное оборудование
    • #05 Двери для холодильных камер
    • #06 Перегрузочное оборудование
    • #07 Герметизаторы проема
    • #08 Шлагбаумы и болларды
    • #09 Автоматические двери
    • #10 Ограждение объектов
  • КОНТАКТЫ
WhatsApp
mail@01-store.ru
Адрес офиса
+7 495 799-12-11
Режим работы: 10-20:00
ПРОТИВОПОЖАРНЫЕ
распашные ворота
Распашные противопожарные ворота сдерживают распространение огня и продуктов горения, тем самым увеличивая время, необходимое для принятия жизненно важных решений. Огнестойкость ворот обеспечивается за счет использования в их конструкции панелей с наполнителем из минеральной ваты. На полотно ворот и в проем устанавливаются специальные профили и терморасширяющаяся лента, которая при возрастании температуры увеличивается в объеме и герметизирует проем. Используются в промышленных и складских помещениях, на парковках, в жилых и торговых комплексах.
ГК ПЕРВЫЙ Официальный представитель завода ДорХан Москва
Наша компания с 2018 года занимается поставкой, монтажом и обслуживанием воротных систем, перегрузочного, складского оборудования, автоматики, шлагбаумов и модульных конструкций по всей России. Мы зарекомендовали себя как уверенный, надежный партнер многих логистических и складских комплексов. Наша задача подобрать необходимое оборудование, произвести монтаж и запустить объект в режим эксплуатации.
Распашные ПРОТИВОПОЖАРНЫЕ ворота
Противопожарные секционные ворота ДОРХАН
без калитки
Схема противопожарных откатных ворот:
1. Полотно ворот 
2. Рама ворот 
3. Встроенная калитка 
4. Замок с нажимной ручкой 
5. Ручка 
6. Люк противопожарный 
7. Задвижка ригельная
встроенная калитка
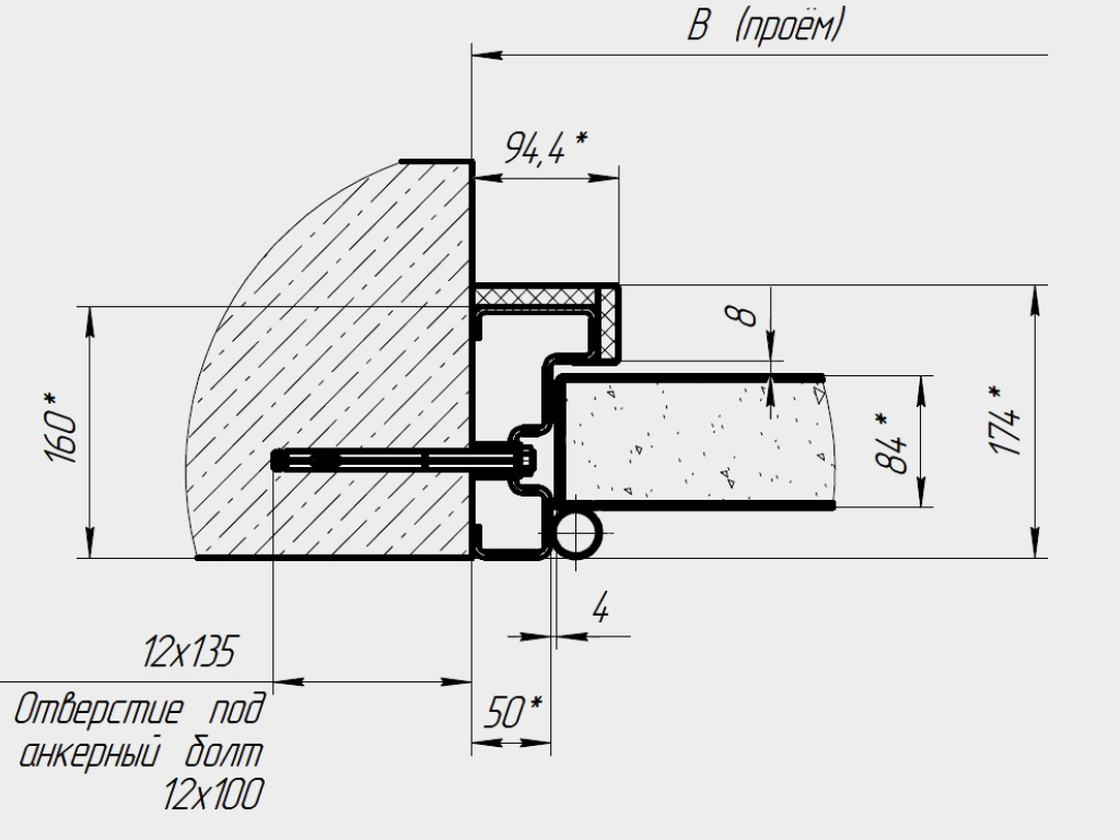
Подготовка проема для монтажа
Замер каждой величины необходимо производить как минимум по трем точкам (в крайних положениях и по центру). 
H – высота проема (расстояние от пола до верха проема). 
B – ширина проема (расстояние от левого края до правого края проема). 
h1 – притолока (расстояние от верха проема до препятствия). 
b1/b2 – левое/правое боковое расстояние (расстояние от соответствующего края проема до препятствия). 

ТРЕБОВАНИЯ К СТРОИТЕЛЬНОМУ ОБЪЕКТУ
При замере H и B (высоты и ширины проема) за итоговый размер принимается наименьшая величина.

Требование к проему рассчитываются индивидуально, согласно конструктива воротной группы
Панели секционных ворот
Противопожарные панели ДОРХАН
Конструкция панели: 
1) гипсокартон; 
2) минераловатная прослойка плотностью 130 кг/м³; 
3) стальной лист толщиной 0,5 мм; 
4) усиливающий профиль под петли (предотвращает разбалтывание петель и повышает взломоустойчивость).
Выберите цвет Ваших новых ворот
RAL 7004
Вид монтажа ворот / вид сверху
Наличие пристенок и притолоки не обязательно!
Распашные противопожарные ворота монтируются в проем, встроенный монтаж, поэтому проем может не содержать пристенков и притолоки.
Нужна помощь?
СПАСИБО!
Спасибо за обращение.
Ваше сообщение получено.
Мы свяжемся с Вами в ближайшее время.
ОБРАТНЫЙ ЗВОНОК
Промышленные 
секционные ворота
По данному номеру менеджер свяжется с Вами.
Ширина проема в "свету", в мм.
Высота проема в "свету", в мм.
Расстояние от верха Вашего проема до потолка или первого препятствия
Промышленные Thermal-PRO
секционные ворота
По данному номеру менеджер свяжется с Вами.
Ширина проема в "свету", в мм.
Высота проема в "свету", в мм.
Расстояние от верха Вашего проема до потолка или первого препятствия
ВЫЕЗД НА ЗАМЕР
По данному номеру менеджер свяжется с Вами.
Укажите дату и время, в которое удобно принять специалиста
Промышленные 
секционные ворота
По данному номеру менеджер свяжется с Вами.
Ширина проема в "свету", в мм.
Высота проема в "свету", в мм.
Расстояние от верха Вашего проема до потолка или первого препятствия
Противопожарные 
секционные ворота
По данному номеру менеджер свяжется с Вами.
Ширина проема в "свету", в мм.
Высота проема в "свету", в мм.
Расстояние от верха Вашего проема до потолка или первого препятствия